SU模型首页 样板房

中式别墅室内施工图,别墅装饰CAD施工图纸下载

资源大小:48.60 下载文件

资源详情

编号: 22767

软件: SketchUp2007

大小: 48.60

时间: 20200103

关键字:

  • 内装
  • 模型介绍

    中式别墅室内施工图,别墅装饰CAD施工图纸下载,设计说明:别墅生活,应该算是现代生活的终极选择了,因为别墅有更多的面积可以去追寻业主心中的梦。自建别墅,就更加有亲切感了,因为从土建开始,就可以融入后期的装修设计,从专业设计角度来说,更能够出现最终期待的效果。

    部分图纸展示:

    QQ截图20200103112456.png

     

    立面图

     

    QQ截图20200103112507.png

     

    立面图

     

    QQ截图20200103112526.png

     

    剖面图

     

    QQ截图20200103112548.png

     

    剖面图

     

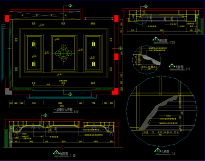
    QQ截图20200103112608.png

     

    大样图

     

    QQ截图20200103112617.png

     

    公卫立面图

    更多

    热门标签

    找设计师请拨打:

    180-8488-1111
    登录