SU模型首页 节点大样

包柱做法柱子装修节点剖面图施工图纸,柱子CAD施工图纸下载

资源大小:1.20 下载文件

资源详情

编号: 21781

软件: SketchUp2007

大小: 1.20

时间: 20191219

关键字:

  • 柱子
  • 模型介绍

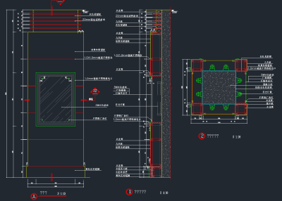
     包柱做法柱子装修节点剖面图施工图纸柱子CAD施工图纸下载内容简介:图纸含有节点大样图、剖面图、立面图等,内容详实,作图规范,具有较高的参考价值。

    部分图纸展示:

    QQ截图20191219101510.png

     

    节点大样图

     

    QQ截图20191219101521.png

     

    剖面节点图

     

    QQ截图20191219101546.png

     

    节点大样图

     

    QQ截图20191219101600.png

     

    剖面图

    更多

    热门标签

    找设计师请拨打:

    180-8488-1111
    登录