SU模型首页 其它建筑图纸

铁珊门节点构造建筑图纸设计

资源大小:2.40 下载文件

资源详情

编号: 15382

软件: SketchUp2007

大小: 2.40

时间: 20191021

关键字:

  • 建筑施工图纸
  • 建筑工程设计图纸
  • 模型介绍

    内容简介:

    珊门节点构造建筑图纸设计目录:珊门多用于防护方面,随着们生活平的不断提高,住户对于家庭防盗安全的日益的关注,因此门在装饰的同时还需有防盗的功能,以增强住宅的防护能力。

    部分资料展示:

     

    01 <a href=https://www.yitu.cn/su/7392.html target=_blank class=infotextkey>平面</a>图

     

    珊门节点构造建筑图纸设计 平面

     

    GM1,GM2<a href=https://www.yitu.cn/su/7388.html target=_blank class=infotextkey>铁</a>栅门(四片)节点祥图

     

    珊门节点构造建筑图纸设计 栅门(四片)节点祥图

     

    GM1<a href=https://www.yitu.cn/su/7388.html target=_blank class=infotextkey>铁</a>栅门(四片)及节点祥图

     

    珊门节点构造建筑图纸设计栅门(四片)及节点祥图

     

    GM1<a href=https://www.yitu.cn/su/7388.html target=_blank class=infotextkey>铁</a>栅门(五片)及节点祥图

     

    珊门节点构造建筑图纸设计 栅门(五片)及节点祥图

     

    GM4<a href=https://www.yitu.cn/su/7388.html target=_blank class=infotextkey>铁</a>栅门([型)及节点详图

     

    珊门节点构造建筑图纸设计 栅门([型)及节点详图

     

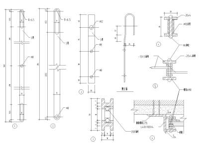
    GM5,DM6<a href=https://www.yitu.cn/su/7388.html target=_blank class=infotextkey>铁</a>栅门构件详图

     

    珊门节点构造建筑图纸设计 栅门构件详图

     

    GM5异型<a href=https://www.yitu.cn/su/7388.html target=_blank class=infotextkey>铁</a>栅门

     

    更多

    热门标签

    找设计师请拨打:

    180-8488-1111
    登录