SU模型首页 餐饮空间

现代酒店中餐厅整套施工图,餐厅CAD施工图纸下载

资源大小:5.90 下载文件

资源详情

编号: 25010

软件: SketchUp2007

大小: 5.90

时间: 20200626

关键字:

模型介绍

  空间划分:成套餐厅,餐饮包间                   餐饮类型:大型酒

  图纸深度:施工图                                            设计风格:现代风格

  图纸格式:JPG                                                包含图片:施工图

  本资料为:现代酒店餐厅CAD施工图,内附详细施工图纸

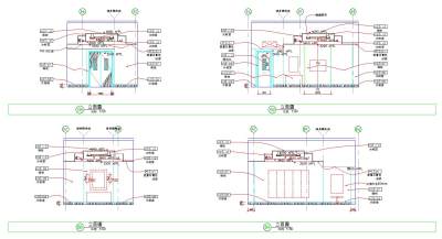
  资料内容包括:全套CAD施工图,中餐厅平面隔墙图,二层中餐厅立面索引图,二层中餐厅立面图01,二层中餐厅立面图02,二层中餐厅立面施工图03,二层中餐厅立面施工图04,二层中餐厅立面施工图05,空间设计合理,内容详实,详细全面,图纸中无错漏碰缺。作图规范,具有较高的参考价值,可供设计师参考。

  部分图纸展示:

立面图4.jpg

 

立面图

 

立面图5.jpg

 

立面图

 

立面图6.jpg

 

立面图

 

立面图7.jpg

 

立面图

 

立面图8.jpg

 

立面图

更多

热门标签

找设计师请拨打:

180-8488-1111
登录