SU模型首页 餐饮空间

北京中餐厅设计CAD施工图,餐厅CAD布置图下载

资源大小:13.90 下载文件

资源详情

编号: 20627

软件: SketchUp2007

大小: 13.90

时间: 20191129

关键字:

模型介绍

 北京中餐厅设计CAD施工图,餐厅CAD布置图下载内容简介:图纸含有平面图、天布置图、开关布置图、立面图等,内容详实,具有较高的参考价值。

部分图纸展示:

QQ截图20191129160127.png

 

绕柱天详图

 

QQ截图20191129160156.png

 

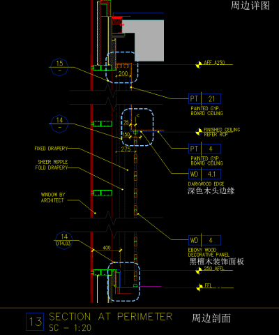
周边剖面图

 

QQ截图20191129160247.png

 

悬挑天详图

 

QQ截图20191129160313.png

 

回风口天详图

更多

热门标签

找设计师请拨打:

180-8488-1111
登录